• Od nejoblíbenějších
  • Od nejlevnějších
  • Od nejdražších

Popis

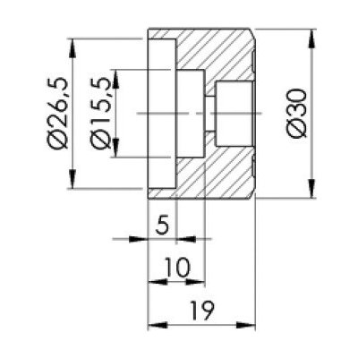
ADAPTER REAR MIRROR HI-TECH IV/MP/TRACKER SPORTST
Zobrazit více

Parametry

Výrobce PUIG

Podobné produkty